Máquina de moldeo por inyección de alta precisión
K1850-SA
PREV PRODUCT:No previous article
NEXT PRODUCT:K1500-SA
Máquina de moldeo por inyección de alta precisión
| DESCRIPCIÓN | UNIDAD | K1850-SA | ||||
| ClASIFICACIÓN DE TAMAÑO INTERNACIONAL | 22000 | |||||
| A | B | C | D | |||
| UNIDAD DE INYECCIÓN | Diámetro del tornillo | milímetros | 140 | 150 | 160 | 170 |
| Relación L:D del tornillo | 23.6 | 22 | 20.6 | 19.4 | ||
| Volumen de disparo | cm3 | 11545 | 13254 | 15080 | 17024 | |
| Peso del disparo (PS) | gramo | 10506 | 12061 | 13723 | 15492 | |
| onz | 370.6 | 425.4 | 484.1 | 546.5 | ||
| Presión de inyección | Bar | 1913 | 1666 | 1464 | 1297 | |
| Tasa de inyección | cm3/s | 1525 | 1751 | 1992 | 2249 | |
| Capacidad plastificante | g/s | 191 | 225 | 241 | 258 | |
| Velocidad máxima del tornillo | rpm | 111 | ||||
| UNIDAD DE SUJECIÓN | Fuerza de sujecion | kN | 18500 | |||
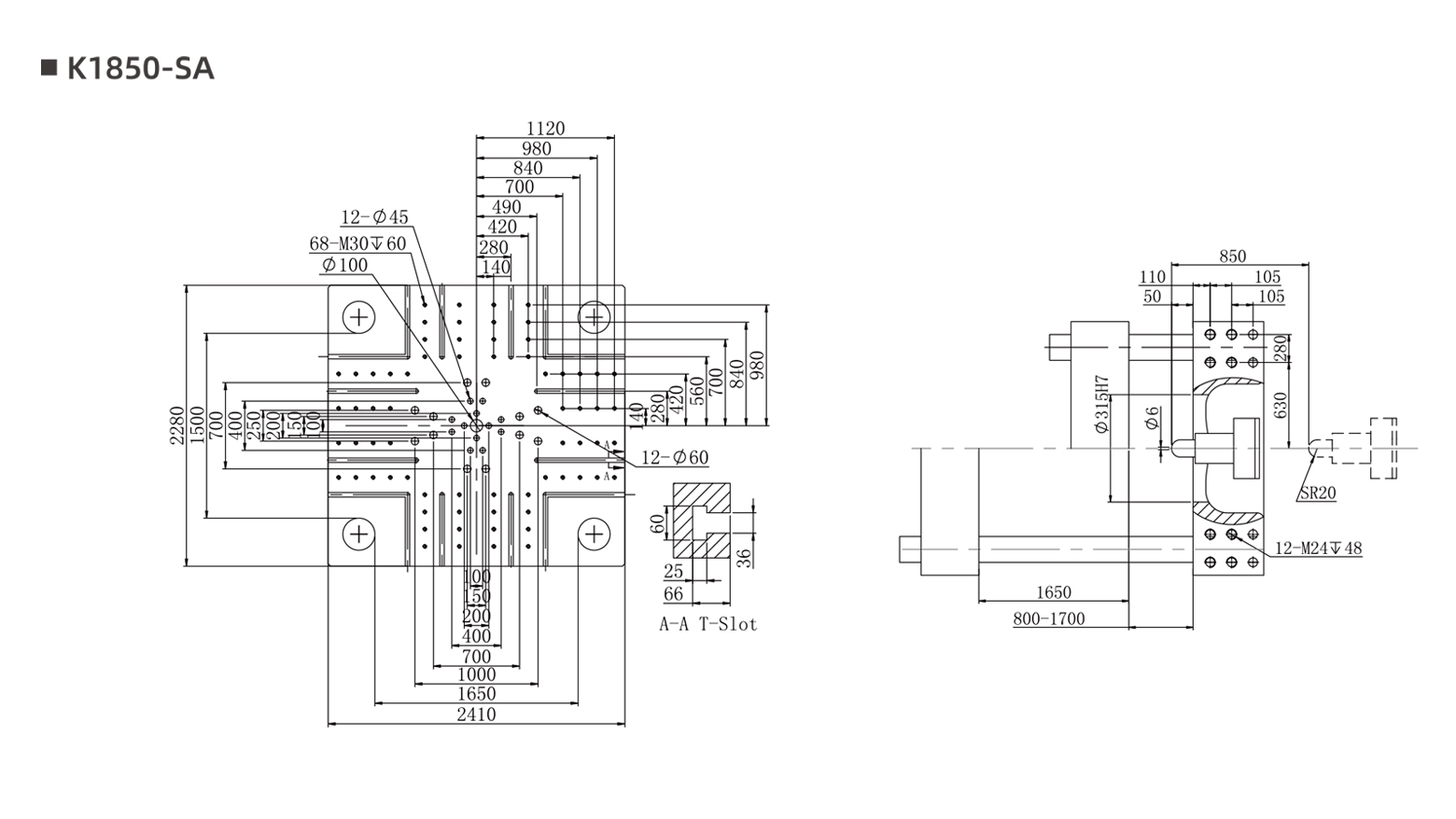
| Espacio entre tirantes | milímetros | 1650x1500 | ||||
| Tamaño de los platos | milímetros | 2410x2280 | ||||
| Golpe de apertura | milímetros | 1650 | ||||
| Altura mínima mdd | milímetros | 800 | ||||
| Altura máxima del molde | milímetros | 1700 | ||||
| Distancia entre platos (luz del día) | milímetros | 3350 | ||||
| Carrera de eyección | milímetros | 400 | ||||
| Fuerza eyectora | kN | 430 | ||||
| Número de eyector | 25 | |||||
| UNIDAD DE PODER | Presión del sistema | Bar | 175 | |||
| Motor de bomba | kilovatios | 42 54 54 54 | ||||
| Capacidad de calentamiento | kilovatios | 100 | ||||
| GENERAL | Capacidad del tanque de aceite | L | 1500 | |||
| Dimensión de la máquina (LxWxH) | mmm | 15,6x4,6x5,2 | ||||
| Peso de la máquina | t | 130 | ||||
| Capacidad de tolva | kg | 400 | ||||
| No | Configuración de componentes | Marca | Lugar de origen | Alcance de la configuración |
| 1 | controlador | Taiwán Techmation (AK628) Fresado de aluminio de 8 pulgadas | Taiwán | K110-230 |
| 2 | controlador | Taiwán Techmation (TECH1) Fresado de aluminio de 8 pulgadas | Taiwán | K270-460 |
| 3 | controlador | Taiwán Techmation (TECH2) Fresado de aluminio de 12 pulgadas | Taiwán | K530-800 |
| 4 | servobomba de aceite | EE.UU. ALTA TECNOLOGÍA | EE.UU | Rango completo |
| 5 | servo motor | FASE | Italia | Rango completo |
| 6 | servoaccionamiento | FASE | Italia | Rango completo |
| 7 | kit de servo | AlemaniaRexroth | Alemania | Opcional |
| 8 | válvula de inversión | Japón Yuken | Taiwán | Rango completo |
| 9 | válvula de inversión | VICKERS DE ESTADOS UNIDOS | EE.UU | Opcional |
| 10 | Motor preplástico | DANDÚN | Porcelana | Rango completo |
| 11 | Motor de ajuste del molde | DANDÚN | Porcelana | Rango completo |
| 12 | Elemento de sellado | U.KHALLITE | Bretaña | Rango completo |
| 13 | sistema de lubricación | HERG | Porcelana | Rango completo |
| 14 | Cortacircuitos | SCHNEIDER ELECTRIC | Francia | Rango completo |
| 15 | interruptor del aire | SCHNEIDER ELECTRIC | Francia | Rango completo |
| 16 | regla electrónica | Hermoso | EE.UU | Rango completo |
| 17 | regla electrónica | NOVOtek | Alemania | Opcional |
| 18 | Relé de estado sólido | FOTEK | Taiwán | Rango completo |
| 19 | Interruptor de viaje | SCHNEIDER ELECTRIC | Francia | Rango completo |
| 20 | interruptor de proximidad | FOTEK | Taiwán | Rango completo |
| 21 | barril de tornillo | TONGDA | Porcelana | Gama completa |
Fábrica de alto estándar
Ningbo KSM Machinery Manufacturing Co., Ltd. es una cooperación con tecnologías italianas especializadas en plástico de alta calidad en la producción de máquinas de moldeo de plástico de alta calidad. Nuestra corporación está ubicada en el parque industrial Ningbo Beilun Xing Ao. Contamos con una cantidad de personal de I+D y cooperamos con un grupo de empresas de alta tecnología. como profesional Porcelana K1850-SA-Máquina de moldeo por inyección de alta precisión proveedores y OEM/ODM K1850-SA-Máquina de moldeo por inyección de alta precisión compañíaProduce principalmente máquinas de moldeo por inyección de alta precisión con un rango de fuerza de sujeción de 110T a 1850T. Los productos tienen una estructura de alta rigidez y elementos hidráulicos y eléctricos importados equipados, tornillo usado con cabezal mezclador para tener un excelente rendimiento de plastificación y ser adecuados para diversos moldeos por inyección de plástico de ingeniería y están disponibles pedidos especiales de los usuarios. Desde que se estableció su corporación, siempre ha prestado atención a la reputación de la empresa, lleva a cabo una gestión científica con diseños racionales, se basa en servicios de preventa, venta y posventa de calidad para ganarse la confianza y aprobación de un gran número de usuarios. Nos atenemos al lema de "honestidad, seguir mejorando, hacer hincapié en la calidad, nunca relajarse en el esfuerzo". Sinceramente, damos la bienvenida a amigos de todo Wask para que nos orienten. La empresa cuenta con un centro de investigación y desarrollo con una fuerte fortaleza de desarrollo. Al mismo tiempo, coopera con universidades y facultades nacionales para desarrollar e investigar equipos de inyección y producción de plástico y máquinas de moldeo por inyección. La empresa cuenta con equipos avanzados de prueba de mangueras y equipos experimentales. En los últimos años, el centro de I+D ha logrado muchos logros en máquinas de moldeo por inyección y equipos de plástico, procesos de vulcanización de caucho y desarrollo de formulaciones. Invitamos sinceramente a clientes nacionales y extranjeros a visitar nuestra fábrica y esperamos que su corporación a largo plazo cree un hermoso mañana para usted.
Por qué elegirnos
Contamos con nuestro propio laboratorio de pruebas y equipos de inspección avanzados y completos, que pueden garantizar la calidad de los productos producidos por nuestros equipos.
Nuestra capacidad de producción anual es de más de 500 máquinas de moldeo por inyección.
Nos centramos en desarrollar productos de alta calidad para los mercados de gama alta. Nuestros productos cumplen con los estándares internacionales y se exportan principalmente a Europa, América, Japón y otros destinos de todo el mundo.
Estamos a sólo 15 kilómetros del puerto de Ningbo, es muy conveniente y eficiente enviar mercancías a cualquier otro país.
Garantice alta calidad con nuestra experiencia
La calidad auténtica y fiable destaca naturalmente y no teme comparación.
Proporcionarle las últimas noticias empresariales y de la industria.
1. Concepto básico de moldes multicavidades. Los moldes de cavidades múltiples se refieren a l...
1. Sistema híbrido petróleo-eléctrico de alta eficiencia El Máquina de inyección oleoeléct...
Aplicación del sistema de refrigeración de aceite en máquina de moldeo por inyección de plást...
Máquinas de moldeo por inyección de plástico. desempeñan un papel vital en la industria mod...
Máquinas de moldeo por inyección de plástico. desempeñan un papel vital en la industria mod...
La relación de reflujo es un parámetro importante en el proceso de moldeo por inyección de plástico...